日本SHIMPO(新寶) DTMX-2C/DTMB-2C張力測量儀采用耐沖擊與靜電的鋁制機殼,可存儲100件計測數據,可對應記錄和統計處理,電腦管理等。
日本SHIMPO(新寶) DTMX-2C/DTMB-2C張力測量儀產品簡介:
可對應高要求的計測環境:
通過RS-232C、數字磁帶輸出、模擬輸出,可利用電腦、打印機對計測值進行管理(DTMX-2C系列)。
可存儲100件計測數據。若與相應的打印機相連接可對*大值、*小值、平均值等進行自動統計處理。
1臺*多可測5類線種(①織物②鋼線③銅線和其他2種樣本金屬絲)。
實現±1%R.C高精度。(DTMX-0.2C、0.5C/DTMB-0.2C、0.5C)
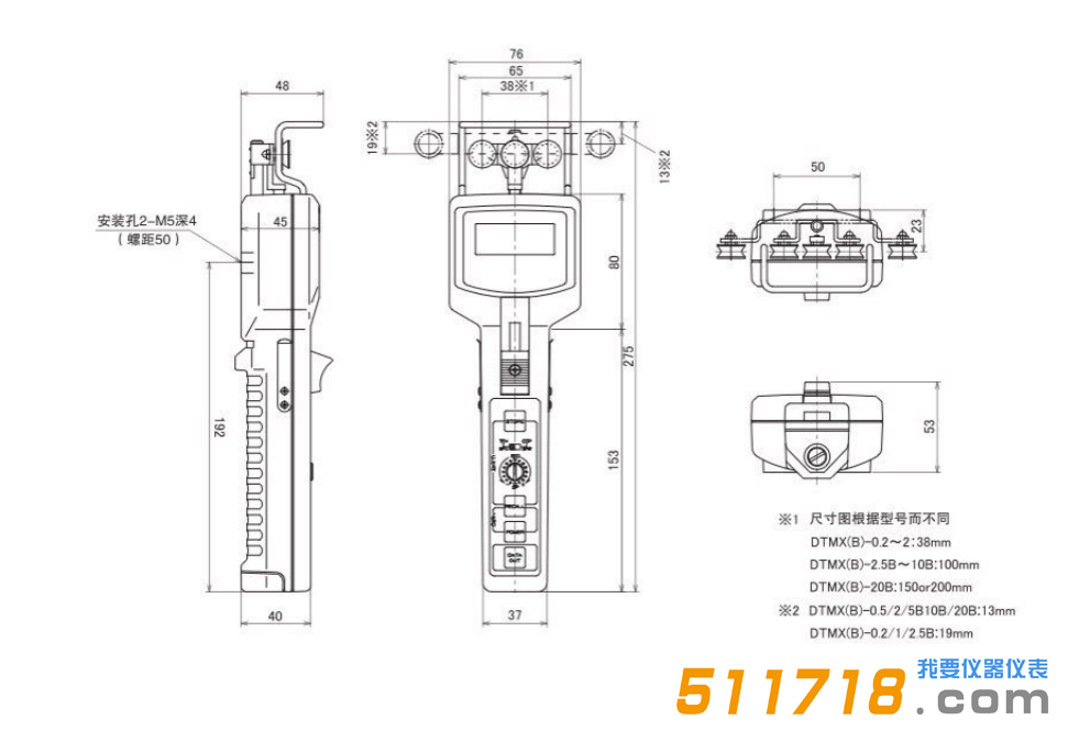
采用耐沖擊與靜電的鋁制機殼。

測定物:光纖、碳素纖維、磁帶、食品薄膜、鋼線等
線速(*大):1000m/min

